您好,欢迎光临武汉戴蒙德环保设备有限公司官网!

客户服务热线

13986238234

产品展示

About us

全国服务热线

13986238234

产品展示 您的位置: 网站首页 > 产品展示
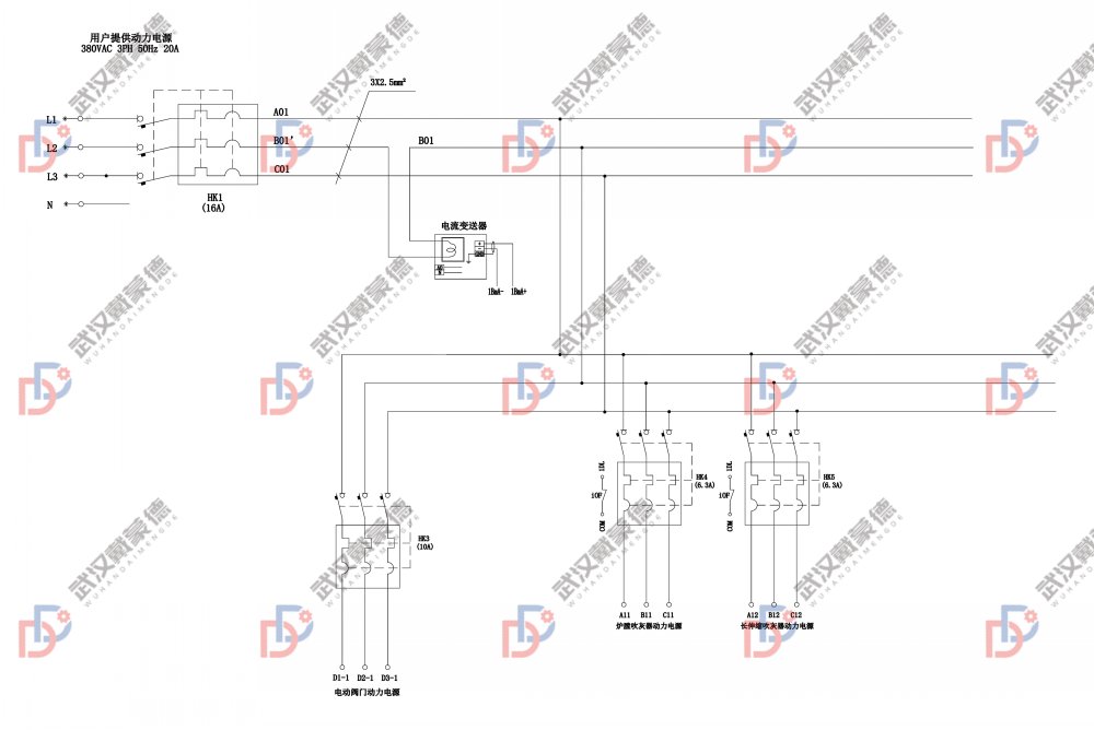
控制柜电源配置图

4.jpg

武汉戴蒙德环保设备有限公司 © Copyright 2023 版权所有 【鄂ICP备2024068263号-1】